三相四線電路可以看成三個單相電路,三個單相電路的功率之和就是總功率,我們可以連接三個相同的單相表也可以用一個三相四線的電表。其實三相四線電表的接線其實也是這個原理哦。
三相四線電表接線原理圖

三相四線電表接線實物原理圖

三相四線的電表又分為直通式和帶電流互感式接線。負載過多電流過大超過電表的電能范圍時必須加電流互感器。
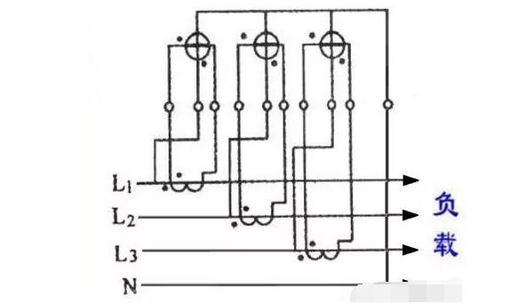
三相四線電表接線圖:直通式

1、3接線柱;4、6接線柱;7、9接線柱分別為A、B、C三相電流線圈,1、4、7接線柱接電源側A、B、C。3、6、9接線柱接負載。2、5、8接線柱為電壓線圈。10、11接線柱接零線N。
三相四線電表直通式實物接線圖

三相四線電表接線圖:互感式

翻過接線端子蓋,就可以看到三相四線電表接線圖。
其中1、4、7接電流互感器二次側S1端,即電流進線端;
3、6、9接電流互感器二次側S2端,即電流出線端;
2、5、8分別接三相電源;
10、11是接零端。為了安全,應將電流互感器S2端連接后接地。注意的是各電流互感器的電流測量取樣必須與其電壓取樣保持同相,即1、2、3為一組;4、5、6 為一組;7、8、9 為一組。下面是詳細操作。
A黃線,電壓線接入2號口,電流線經過第1個電流互感器S1接入1號口輸入,S2接入3號口輸出
B綠線,電壓線接入5號口,電流線經過第2個電流互感器S1接入4號口輸入,S2接入6號口輸出
C紅線,電壓線接入8號口,電流線經過第3個電流互感器S1接入7號口輸入,S2接入9號口輸出
N黑線一般代表零線,直接接入10號口。
三相四線電表互感式實物接線圖

本文地址:http://www.cn-huanxin.com/xinwenzhongxin/zhishi/3946.html
