單相電表在什么情況下需要配電流互感器
2015-04-21
單相電表在什么情況下需要配
電流互感器?生活中可能還是有很多人對電流互感器并不太了解,下面讓浩寧科技小編來介紹一下相關知識。

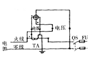
電能表的電流線圈串在負荷回路中,它的導線粗,匝數少,電阻值近似為零;而電壓線圈與負荷并聯,導線細,匝數多,其電阻值很大。根據使用電壓及儀表型號規格不同,此值大約在700Ω至1.6kΩ之間,因此很容易把它們區分開來。如果電能表計量的負荷很大,超過了電能表的額定電流,那就要配用電流互感器。配用電流互感器的電能表的接線圖如下:
此時,電能表的電流線圈不再串在負載回路中,而是與電流互感器的二次繞組相連接,電流互感器的一次繞組串到負載回路中去。這樣,電能表的電壓線圈將無法從它鄰近的電流接線端上得到電壓。因此,電壓線圈的進線端必須單引出一根線,接到電流互感器一次回路的進線端上去。
要特別注意的是,電流互感器的兩繞組的同名端和電能表兩個線圈的同名端的接法不可搞錯,否則可能引起電能表倒轉。
以上內容,僅供參考,如您需解決具體問題,請咨詢相關專業人士。